|
Участники форума и их машины!!!
|
|
| Slavon | Дата: Пятница, 13.01.2012, 23:09 | Сообщение # 586 |
 Рядовой
Группа: Пользователи
Сообщений: 8
Статус: Offline
| Привет всем Меня зовут Славик Я из Украины , город Мариуполь Машина Chevrolet Geo Storm 1990 год 1.6 , 16 клапанов ,Мкпп
Chevrolet Geo storm >1990 год 1.6 , 16 клапанов , МКПП
|
| |
|
|
| Batonchik43 | Дата: Четверг, 19.01.2012, 21:46 | Сообщение # 587 |
 Генерал-майор
Группа: Проверенные
Сообщений: 320
Статус: Offline
| cobra-hunter, я так понимаю бампера с крыльями у тебя теперь не сьемные?
Сейчас:Isuzu Gemini 1991г.в. Вагончик 4xc1 АКПП . JT151F байкер камикадзе г.Киров
|
| |
|
|
| sayani | Дата: Понедельник, 30.01.2012, 05:44 | Сообщение # 588 |
 Лейтенант
Группа: Пользователи
Сообщений: 69
Статус: Offline
| Привет всем!!! Я тут ужо не впервой, т.к 5лет владею уже дизельной I.Gemini но она ввиду своей старости (пробег 270 т.км) попросила кап ремонт или замену двигла ну и заодно я решил заменить ей вместо автомата, на давно ужо приобретенную МКПП механику, т.к дизелю не очень-то "идёт" автомат... а так-как пешком и общественным тр-том передвигаться всё это время мню совсем не хотелось то был приобретен, по случаю, замечательный аппарат Isuzu Gemini 1992 года с бензиновым пихлом 4ХЕ1 1600 в кузове JT191F комплектацией HAND MADE LOTUS и цветом "хамили-он". машинка оказалась оч бодрая для своих лет с реальным пробегом 132т.км Как ток с Хабары перегнал до дому, заменил стойки (были куплены ужо) ну и все тех. жидкости (масло было летним т.к старый хозяин по зиме на ней почти не ездил). Аппаратом пока доволен, за первый месяц каждодневной аккуратной (присматриваюсь к авто) езды проблем не возникало, была-бы "дизюлюха" ваще было-бы супер т.к комплектация HAND MADE LOTUS, это для своего года в машине уже были: подогрев зеркал, пер. сидения - Рекаро, руль МОМО, задняя метла, навороченный (по тем временам)звук ALPINE + CD ченджер),14 литье, короче полный фарш! но машинка бензиновая и приобрелась как недорогой временный вариант замены "колёс" на время ремонта двигла старой, после реставрации "дизилюхи" пересяду не неё, а с бензинкой возможно расстанусь, ну не поклонник я "зажигалок" дизель мне больше по душе да и понятней (первое авто было тож дизельное), а с бензиновым 4хе1, ели что! то за помощью, сюда к вам на форум сразу побегу, надеюсь не оставите одного с бензо-проблеммами ....вот фоты авто (перегон Хабаровка-Совгавань) если кому интересно...
Хабаровский край-Ванино. Isuzu Gemini 1990г JT641 дизель 4ЕЕ1Т теперь на МКПП
|
| |
|
|
| sigma | Дата: Понедельник, 30.01.2012, 11:46 | Сообщение # 589 |
 Генералиссимус
Группа: Администраторы
Сообщений: 1326
Статус: Offline
| Quote комплектация HAND MADE LOTUS, это для своего года в машине уже были: подогрев зеркал, пер. сидения - Рекаро, руль МОМО, задняя метла, навороченный (по тем временам)звук ALPINE + CD ченджер),14 литье, короче полный фарш! это далеко не полный список. и еще не давно узнал, что большенство gemini комплектовались пультом ДУ для центрального замка. не без помощи друзей, у меня появился сей девайс
isuzu gemini irmscher 1990, 4xe1 16v, swap МКПП, ABS. всегда на транзитах
в разборе: geo storm 1990 2 штуки, 4xe1 16v, gemini jt151f МКПП, gemini jt191f handling by lotus Красноярск
|
| |
|
|
| sayani | Дата: Понедельник, 30.01.2012, 15:38 | Сообщение # 590 |
 Лейтенант
Группа: Пользователи
Сообщений: 69
Статус: Offline
| Quote (sigma) большенство gemini комплектовались пультом ДУ для центрального замка ВАХ!!! то-то я смотрю по схемам в проге от митчел, что там какой-то блок указан. в переводе на наш, типпа сигнализация ВАХ!!!
Хабаровский край-Ванино. Isuzu Gemini 1990г JT641 дизель 4ЕЕ1Т теперь на МКПП
|
| |
|
|
| sigma | Дата: Понедельник, 30.01.2012, 17:24 | Сообщение # 591 |
 Генералиссимус
Группа: Администраторы
Сообщений: 1326
Статус: Offline
| Quote то-то я смотрю по схемам в проге от митчел, что там какой-то блок указан. а давай поподробнее.
isuzu gemini irmscher 1990, 4xe1 16v, swap МКПП, ABS. всегда на транзитах
в разборе: geo storm 1990 2 штуки, 4xe1 16v, gemini jt151f МКПП, gemini jt191f handling by lotus Красноярск
|
| |
|
|
| sayani | Дата: Вторник, 31.01.2012, 02:41 | Сообщение # 592 |
 Лейтенант
Группа: Пользователи
Сообщений: 69
Статус: Offline
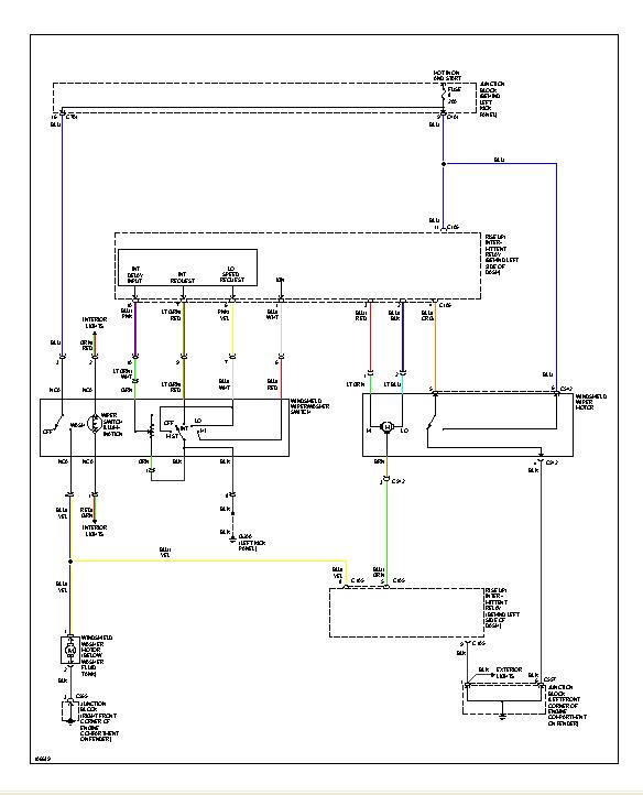
| ...ну есть у меня (благодаря одному ушлому парнишке компьютерщику) прога с диска по автомобилям продававшихся с1983-2004 в штатах для ремонта и сервиса, называется OnDemand5 и пару дисков к ней как каталог, всё это от Mitchell, ну типпа ALLDATA. В каталоге Mitchell представлены автомобили с 1983 года по 2004. В первую очередь в присутствуют марки машин производимые в США, а так же поставляемые туда для продажи. Здесь вот более подробно об этом: http://www.mitchell-auto.ru/mitchell/mitchell-about.html Вот по этому каталогу я и смотрю схемы и не только на леворукие Isuzu Stylus (Gemini) , Impulse и Geo Storm-ы вот пример:
Хабаровский край-Ванино. Isuzu Gemini 1990г JT641 дизель 4ЕЕ1Т теперь на МКПП
|
| |
|
|
| sigma | Дата: Вторник, 31.01.2012, 11:05 | Сообщение # 593 |
 Генералиссимус
Группа: Администраторы
Сообщений: 1326
Статус: Offline
| а можешь залить куда ни будь это добро?
isuzu gemini irmscher 1990, 4xe1 16v, swap МКПП, ABS. всегда на транзитах
в разборе: geo storm 1990 2 штуки, 4xe1 16v, gemini jt151f МКПП, gemini jt191f handling by lotus Красноярск
|
| |
|
|
| sayani | Дата: Среда, 01.02.2012, 09:41 | Сообщение # 594 |
 Лейтенант
Группа: Пользователи
Сообщений: 69
Статус: Offline
| sigma, у меня нет самого диска с дистрибутивом, есть ток образы двух дисков каталогов по 4Gb в которых есть нужные мне авто, а сама прога ужо стоит на компе и когда просит диск с нужным каталогом я его монтирую в виртуальный диск, надо было и сам дистрибутив-чик копернуть, но... (хорошая мысля приходит апосля) ...вопросы по схемам если будут, пиши, постараюсь помочь, чем смогу.
Хабаровский край-Ванино. Isuzu Gemini 1990г JT641 дизель 4ЕЕ1Т теперь на МКПП
|
| |
|
|
| sigma | Дата: Среда, 01.02.2012, 10:38 | Сообщение # 595 |
 Генералиссимус
Группа: Администраторы
Сообщений: 1326
Статус: Offline
| дык вся фишка в том что все вопросы возникают по ходу пьесы и хочется чтоб было всё и сразу:)
isuzu gemini irmscher 1990, 4xe1 16v, swap МКПП, ABS. всегда на транзитах
в разборе: geo storm 1990 2 штуки, 4xe1 16v, gemini jt151f МКПП, gemini jt191f handling by lotus Красноярск
|
| |
|
|
| sayani | Дата: Четверг, 02.02.2012, 01:52 | Сообщение # 596 |
 Лейтенант
Группа: Пользователи
Сообщений: 69
Статус: Offline
| ...ок возможно диск попадёт ко мню ешо раз, сразу коперну, надеюсь защита на нём неочень...
Хабаровский край-Ванино. Isuzu Gemini 1990г JT641 дизель 4ЕЕ1Т теперь на МКПП
|
| |
|
|
| sayani | Дата: Пятница, 03.02.2012, 10:45 | Сообщение # 597 |
 Лейтенант
Группа: Пользователи
Сообщений: 69
Статус: Offline
| был как-то в августе 2008г. в приморье и видел там это авто, о котором писал авто журнал (не помню какой) хозяина правда не застал, но тогда оч хотел встретить обладателя этого чуда
Хабаровский край-Ванино. Isuzu Gemini 1990г JT641 дизель 4ЕЕ1Т теперь на МКПП
|
| |
|
|
| sigma | Дата: Пятница, 03.02.2012, 14:28 | Сообщение # 598 |
 Генералиссимус
Группа: Администраторы
Сообщений: 1326
Статус: Offline
| сейчас эта машина уже не в сборе:)
isuzu gemini irmscher 1990, 4xe1 16v, swap МКПП, ABS. всегда на транзитах
в разборе: geo storm 1990 2 штуки, 4xe1 16v, gemini jt151f МКПП, gemini jt191f handling by lotus Красноярск
|
| |
|
|
| sayani | Дата: Понедельник, 06.02.2012, 07:46 | Сообщение # 599 |
 Лейтенант
Группа: Пользователи
Сообщений: 69
Статус: Offline
| Quote (sigma) сейчас эта машина уже не в сборе sigma, ...я думаю что железки пошли на другое аналогичное авто, интересно, а кто его купил-то не ты ли? я вродя тут где-то уже втречал упоминание об этой джемке.
Хабаровский край-Ванино. Isuzu Gemini 1990г JT641 дизель 4ЕЕ1Т теперь на МКПП
Сообщение отредактировал sayani - Вторник, 07.02.2012, 02:29 |
| |
|
|
| sigma | Дата: Понедельник, 06.02.2012, 13:11 | Сообщение # 600 |
 Генералиссимус
Группа: Администраторы
Сообщений: 1326
Статус: Offline
| кое какие запчасти и к нам в город поедут:)
isuzu gemini irmscher 1990, 4xe1 16v, swap МКПП, ABS. всегда на транзитах
в разборе: geo storm 1990 2 штуки, 4xe1 16v, gemini jt151f МКПП, gemini jt191f handling by lotus Красноярск
|
| |
|
|